矿用电动挖掘机
作者:鄄城中泰工程机械有限公司 发布时间:2017-12-19 本文被阅读 1442 次



功能及特点:
该机适用于煤矿、金属矿、非金属矿、竖井、斜井及平巷掘进中的装岩、清底以及冻土层的挖掘作业。该机具有以下特点:
与传统的人工清底相比,使用该机在大大节约人工成本的同时提高了作业效率,改善了工作环境。操作者处于驾驶室保护下作业,有利于安全生产;
与传统的柴油动力小型挖掘机相比,由于采用电动液压系统,因而具有节约能源、噪音低、无尾气污染、效率高的特点,更适用于井下使用:
该机结构紧凑、外型尺寸小,分装部件小,便于垂直下井使用;采用zui小回转结构,当机体上车回转时其尾部也不会超出车宽,因此更适用与井下狭小空间作业。
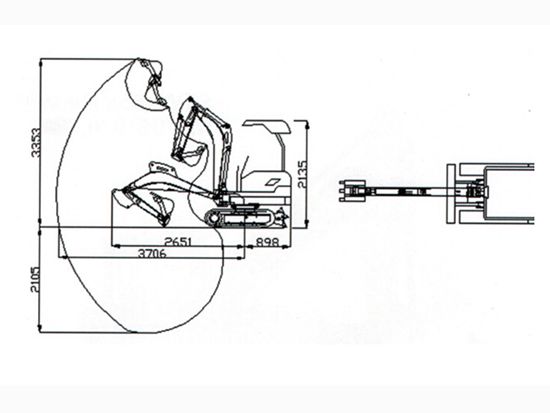
技术参数 TECHNICAL SPECIFICATIONS | ||
产品型号 | STW-18 | STW-20 |
整机重量(T) | 1.8 | 2.2 |
外形(长×宽×高)(mm) | 3500×1150×2300 | 3600×12002300 |
铲斗容量(立方) | 0.03 | 0.05 |
zui大挖掘高度(mm) | 3300 | 3500 |
zui大挖掘深度(mm) | 2100 | 2200 |
zui小离地间隙(mm) | 200 | 200 |
zui大卸料高度(mm) | 1800 | 2200 |
zui大垂直挖掘深度(mm) | 2100 | 2200 |
行走速度(km/h) | 0.89 | 0.89 |
额定工作压力(MPa) | 18 | 22 |
回转角度 (。) | 360 | 360 |
电机总功率 (kw) | 11 | 18.5 |
| 下一条:柴电一体扒渣机,柴电双动力扒渣机... | 上一条:铣挖机,铣挖头,小型掘进机... |











